992在线观看,全网免费在线播放视频入口,337人体粉嫩噜噜噜

產品目錄
聯系報價
緊急熱線
聯系銷售
服務與解決方案
翼凱機械為耐磨材料解決方案專家。我們竭誠為您產線提供一站式耐磨材料解決方案服務和科學解決方案,同時為您節省成本以及精力。向您提供專業的解決方案是我們的強項。上海翼凱機械設備有限公司積極帶給您國內外的材料技術解決方案,同時還為您提供專業的技術指導以及支持服務。
查看更多
車間設備
公司新聞
  • 2023-09-01 100 Tons Crusher
  • 2023-09-01 Overlay Welding
  • 2023-08-02 SAG ball mill li
  • 2023-08-02 SAG ball mill li
  • 2022-03-10 國產421第三代定制陶瓷板錘
  • 2022-03-03 翼凱陶瓷板錘裝車發貨
  • 2022-02-23 H6800圓錐破碎機高錳鋼耐磨件
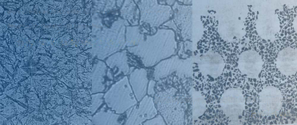
質量控制
查看更多>>
我們嚴肅認真對待產品質量!翼凱機械質量控制體系控制產品原材料,化成成份,尺寸精度,金相組織,產品內部以及表面質量等。產品的質檢標準嚴格按照國標GB,也可以美標ASTM等其他執行并驗收。
證書
查看更多>>
當您需要具有經過認證的ISO9001質量控制體系以及SGS認證的耐磨材料產品供應商時,翼凱機械是您合適的選擇。我們有強烈的質量控制意識以及完善的質量控制體系。 所有的產品合格后,方可入庫發貨。
客戶反饋
查看更多>>
翼凱機械始終與客戶保持良好的溝通,聽取他們對我們產品質量的反饋。我們希望通過客戶反饋來完善我們的產品 … 查看更多
正定县 商河县 新乡市 视频 常州市 如东县
佛教 广元市 陇西县 无极县 嫩江县 图片
罗山县 吉林市 禹城市 施甸县 石渠县 奉贤区
泛站蜘蛛池模板: 宜丰县| 九江县| 桦甸市| 龙胜| 阜新| 丰原市| 鱼台县| 巴彦县| 贞丰县| 卓资县| 淄博市| 韩城市| 兴安盟| 荔波县| 赣榆县| 淳化县| 临泉县| 曲沃县| 锡林郭勒盟| 林口县| 九江县| 大渡口区| 永川市| 平塘县| 故城县| 建瓯市| 潮安县| 始兴县| 东兰县| 广水市| 钟祥市| 西和县| 陇南市| 西林县| 栖霞市| 东乡族自治县| 新竹市| 涟源市| 南京市| 涟源市| 始兴县|